2025.10.05
アルミニウム合金鋳物のフラクトグラフィ
概要
破面観察をベースに各種解析手法を用いて破壊原因を解明することをフラクトグラフィといいます。破壊原因の解明は、製品設計や品質保証のレベルアップに直結するため極めて有効です。このページでは、フラクトグラフィを概説した後、ダイカストやアルミニウム合金鋳物に特有の破面解析について説明します。

1. フラクトグラフィとは
フラクトグラフィは破面観察をもとに破壊に至った情報を抽出し、破壊の原因やメカニズムを追求する解析手法です。小難しいことをいいましたが、「破壊原因を調査する手法」というとわかりやすいかもしれません。
気をつけていただきたいのが、SEMによる破面観察はフラクトグラフィのひとつの手法であることです。破面解析結果を補完するためにいろいろな解析手法を用います。たとえばフラクトグラフィでは以下を実施します。
- き裂の状況と破面のマクロ観察
- 破壊状況の把握:負荷状態(力学因子)、材料欠陥、環境因子(腐食環境、温度)、材質劣化
- 破面付着物の分析
- 破面のミクロ観察
- 破面情報の解析:立体像の構築、フラスタ解析、残留応力解析など
「破面を観察したら原因がわかるんじゃね?」
という感じにはならないことをご理解いただけますでしょうか。実はかなり難しい技術です。材料学、材料力学、破壊力学に加え、使われ方や工法に精通してないととんでもない結果をだしてしまいます。フラクトグラフィはひとつの学問といってよいでしょう。
2. フラクトグラフィの目的
フラクトグラフィの目的は以下になります。
- 製品の事故原因をあきらかにする
- 破壊の研究にエビデンスを与える
壊れた原因が解明できれば、対策は簡単なことが多いです。具体的には、フラクトグラフィにより延性破壊、脆性破壊、疲労破壊などの破壊のメカニズムを特定します。その結果を基に材料選定、応力集中の低減、表面処理や熱処理、製造工程の見直しなどを実施します。その後、評価をおこない、改善効果を定量的にもとめて製品へフィードバックします。これら一連の流れがフラクトグラフィの目的といえるでしょう。
製品の破損事故とともに発展してきた学問及び技術というと怒られてしまいそうですが、実は否定できません。痛ましい事故というのは、残念ながら駆動力として大きなものを与えるのです。実際、航空機や自動車、プラントといった分野では、過去の重大事故を契機として解析技術が進歩しました。安全なものを提供することがメーカーに与えられた社会的責任となりますので、その積み重ねがフラクトグラフィを発展させてきたと言えるのです。
3. アルミニウムダイカスト及び鋳物のフラクトグラフィ
フラクトグラフィの教科書、参考書を読むと鋼ベースで書かれていることが多いです。例えば以下の写真と模式図1)は、材料学会のフラクトグラフィ部門委員会発行の教科書に記載されているものです。鋼はその歴史と有用性から多くの研究者の対象となるため、致し方ないといえばそうなりますがちょっとさみしいです。

参考にAl-7%Si合金鋳物の引張試験後の破面を下図に示します。写真左(スマホは上)は、いわゆるディンプルがみられていることから延性破面といえます。一方、写真右(スマホは下)はファセットな脆性破面を示します。おもしろいことに、これらはいずれもAl-7%Si合金です。このようなことが平然と生じるため、小難しいのかもしれません。破面だけにとらわれずに鋳造工法を知る必要があります。
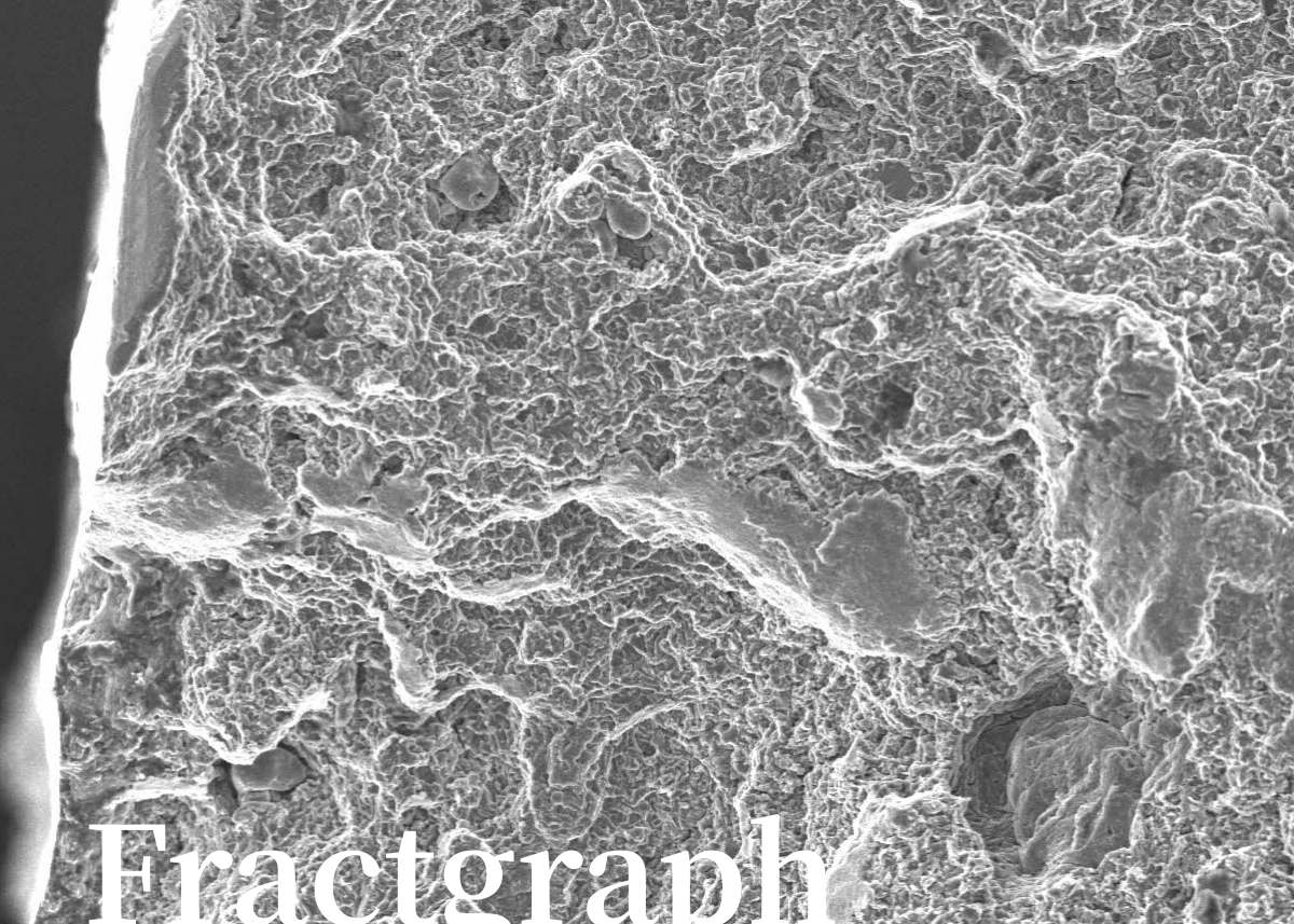
アルミニウム合金鋳物は破面をみても比較的理解しやすい部類になります。難しいのがダイカストです。
下図はダイカストの破面になります。紙面左から右に向かってき裂が進展し、破壊に至っています。詳細は割愛しますが、さまざまな鋳造欠陥が重なって壊れています。巻き込み巣、引け巣があるのですがわかりますでしょうか。
製品への負荷状況もさることながら、鋳造欠陥の存在がクリティカルに疲労寿命に効いてきます。ダイカストのフラクトグラフィはこうした点から、破壊力学、工法、工程管理などなど、さまざまな視点が必要となります。

アルミニウム合金鋳物のフラクトグラフィについて、このページは参考になりましたでしょうか。少々難しいところがありますので、当社へご相談いただけるとうれしいです。
ダイカストは鋳造欠陥が多く導入されますので、こちらも確認していただけると幸甚です。
出典
1) 日本材料学会 フラクトグラフィ部門委員会:フラクトグラフィ 破面と破壊情報解析
Articles

2023.07.18
ダイカスト(HPDC)の特徴とメリット
ダイカストの特徴とメリットを鋳造エンジニアが解説します。多くの自動車部品、家電部品などがダイカスト工法で作られています。アルミニウム合金をつかったダイカストの特徴、メリット、デメリットのリアルを説明します。

2024.03.17
ダイカストの代表的な鋳造不良10種とその対策
ダイカストの特徴は、速度がはやく、圧力が高く、急冷されることにあります。これによって生産性のよいものづくりができるわけですが、品質にとってはプラスとマイナスの因子が混在することになります。このため、ダイカストには鋳造不良が発生しやすいと言われています。そんなダイカストにおける鋳造不良について考えてみます。

2023.03.14
鋳造用アルミニウム合金の基礎と種類
鋳造用アルミニウム合金について、基礎から実用合金までを詳しく説明したページです。鋳造用アルミニウム合金はアルミニウムとシリコンを基本とし、共晶凝固という固まり方をするのが特徴です。Al-Si系状態図、合金の種類を解説しています。ダイカスト、重力鋳造など、凝固がわかると鋳造がわかるようになります。





